|
||
全部產品分類
|
||



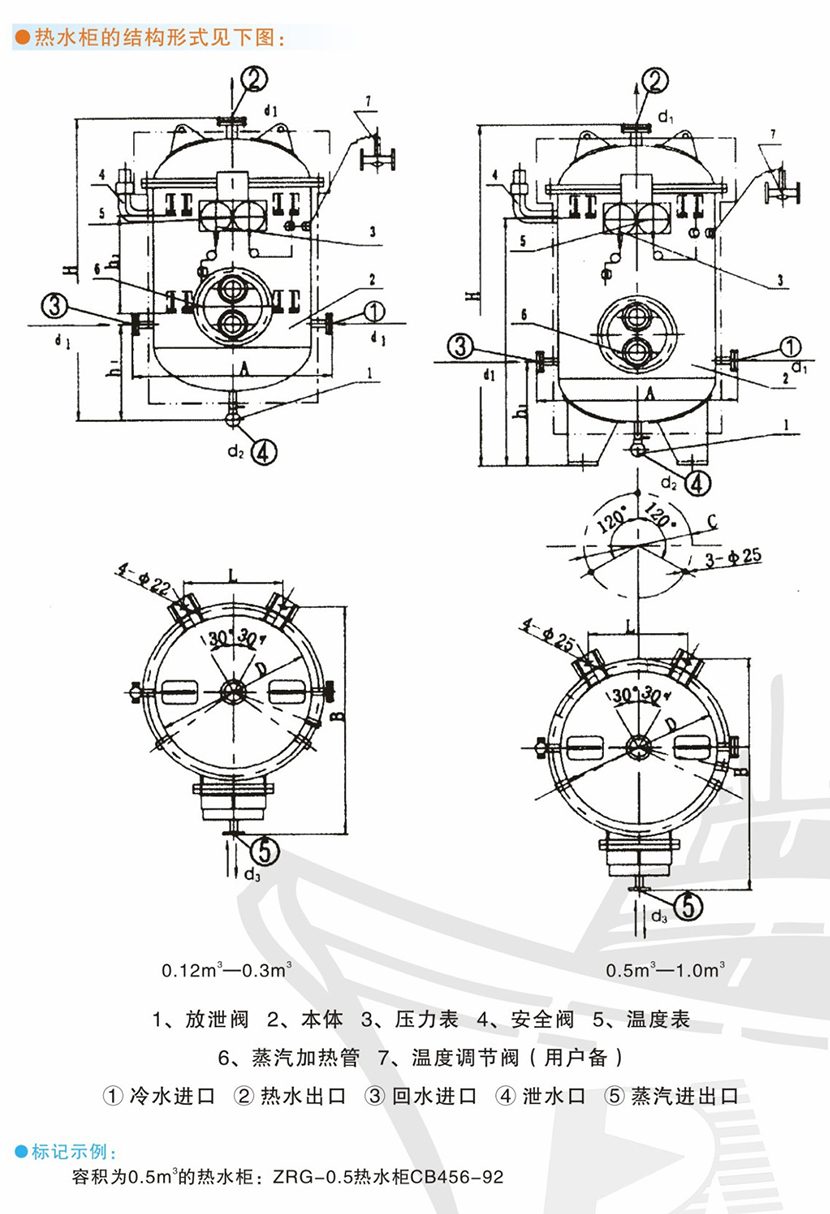
| 船用蒸汽熱水柜 | |||
| 容積: | 0.2m3 | 設計壓力: | 0.7MPa |
| 進水溫度: | 15℃ | 出水溫度: | 65℃ |
| 重量: | 202kg | 蒸氣壓力: | 0.3MPa |
| 蒸汽加熱水量: | 459kg/h | 蒸汽消耗量: | 45kg/h |
| 工作壓力: | 0.6MPa | ||


| -供應商聯系方式- | |||||
|
|
公司名稱: | 武漢東盟船舶配套工程有限公司 |
|
聯系人姓名: | 朱鵬 |
| 公司地址: | 武漢市蔡甸區九康大道花園灣二街 | 聯系人電話: | 15927110099 、027-88081198 88057818 | ||
| 聯系人郵箱: | 15927110099@139.com | ||||